管道对智能电磁91香蕉污在线观看安装的要求

返回列表 发布日期:2021-06-11 10:14:00 点击量:3311

智能电磁91香蕉污在线观看管道安装要求

1、为了电磁91香蕉污在线观看的安装、维护、保养方便,电磁91香蕉污在线观看周围需保留足够的空间

2、避免电磁91香蕉污在线观看安装在温度变化很大或受到设备高温辐射的场所

3、91香蕉污在线观看应安装在室内,如安装在室外,应避免阳光直射,必要时请安装防晒防水装置

4、避免91香蕉污在线观看安装在含有腐蚀性气体的环境中

5、避免91香蕉污在线观看安装在有强振动源、强磁场的场所

6、 上、下游工艺管的内径与91香蕉污在线观看的内径应满足:0.98DN≤D≤1.05DN(DN:91香蕉污在线观看内径;D:工艺管内径)

7、工艺管与91香蕉污在线观看需同心,同轴偏差不大于0.05DN

泵的安装如图

管道对电磁91香蕉污在线观看安装的要求 (图1)

阀的安装

管道对电磁91香蕉污在线观看安装的要求 (图2)

弯曲管道上91香蕉污在线观看的安装

管道对电磁91香蕉污在线观看安装的要求 (图3)

智能电磁91香蕉污在线观看敞口排放前安装

管道对电磁91香蕉污在线观看安装的要求 (图4)

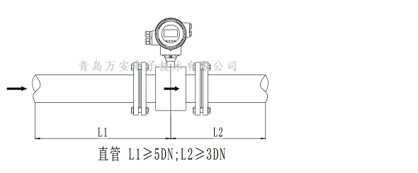
直管段要求

1、水平管道上安装智能电磁91香蕉污在线观看直管段要求

管道对电磁91香蕉污在线观看安装的要求 (图5)

2、有弯头管道对电磁91香蕉污在线观看安装要求

管道对电磁91香蕉污在线观看安装的要求 (图6)

3、缩颈管道对电磁91香蕉污在线观看安装直管段的要求

管道对电磁91香蕉污在线观看安装的要求 (图7)

4、扩径管道对电磁91香蕉污在线观看安装直管段的要求

管道对电磁91香蕉污在线观看安装的要求 (图8)

5、泵下游安装电磁91香蕉污在线观看对直管段的要求

管道对电磁91香蕉污在线观看安装的要求 (图9)

关键词描述:防爆电磁91香蕉污在线观看,国产电磁91香蕉污在线观看,污水电磁91香蕉污在线观看,进口电磁91香蕉污在线观看,智能电磁91香蕉污在线观看,分体式电磁91香蕉污在线观看,一体式电磁91香蕉污在线观看,高压电磁91香蕉污在线观看,电磁91香蕉污在线观看厂家,电磁91香蕉污在线观看安装,电磁91香蕉污在线观看价格,插入式电磁91香蕉污在线观看,电磁91香蕉污在线观看工作原理

青岛香蕉视频免费看电子技术有限公司主营产品:涡街91香蕉污在线观看,电磁91香蕉污在线观看,涡轮91香蕉污在线观看,预付费91香蕉污在线观看,IC卡预付费,IC卡蒸汽预付费,显示仪表,热量表,差压式仪表,分析仪器,水质监测设备,压力仪表等,以及承接电气自动化项目。欢迎来电咨询。

热线电话:0532-67731362  /0532-67731361

91精品大香蕉

91精品大香蕉

Related products相关产品

RELATED NEWS相关新闻

微信公众号

友情链接: 阿里巴巴涡街91香蕉污在线观看厂家天然气91香蕉污在线观看厂家电磁91香蕉污在线观看厂家定量控制atp荧光检测仪深圳小产权房大益茶价格POS机代理塑料防水接线盒航空插头农药残留检测仪拾起卖广州中央空调安装OHS18001认证机构密室装修公司民用帐篷气动喷浆机地埋式污水处理设备

Copyright © 2020 青岛香蕉视频免费看电子技术有限公司 版权所有 鲁ICP备21328661号 技术支持:华夏商务网

网站地图